Description
Bellows in Schempp-Hirth gliders are flexible, durable components designed to seal gaps between moving and fixed parts, prevent air leaks, and maintain smooth airflow over wings, tail, and control surfaces. Properly functioning bellows reduce drag, improve aerodynamic performance, and protect internal structures from dirt, moisture, and wear.
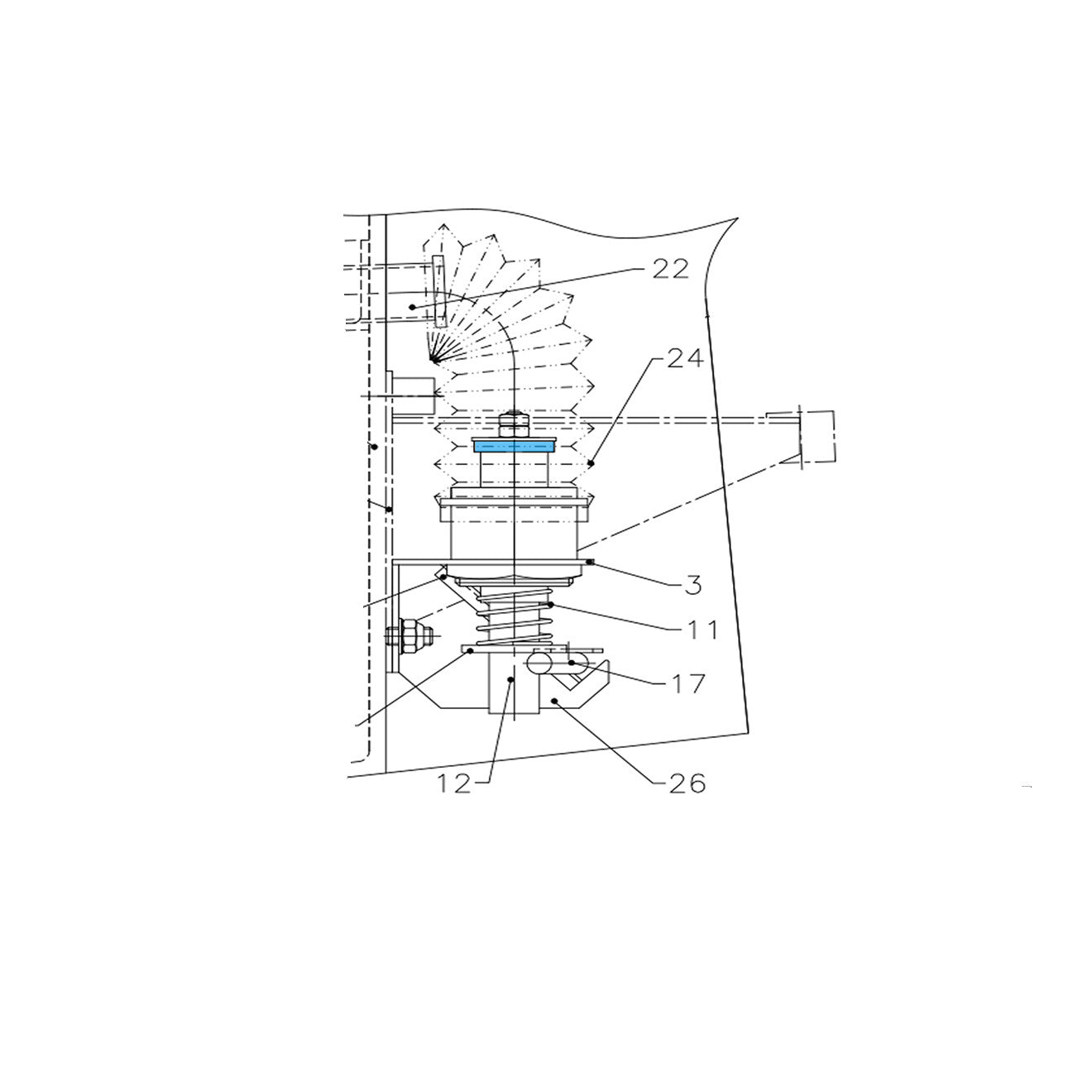
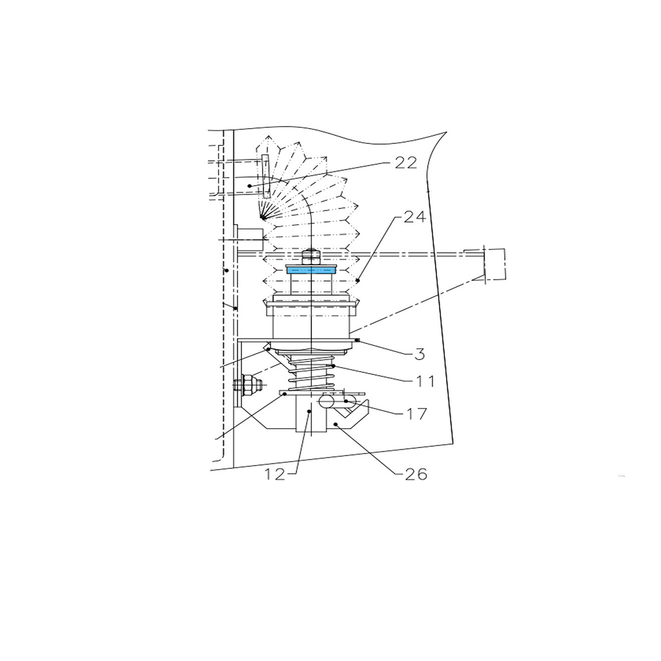
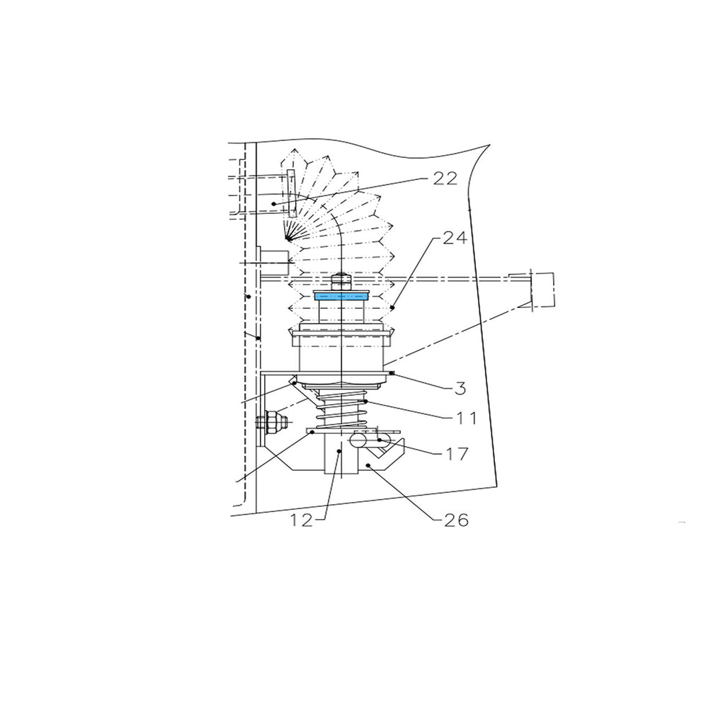
1. Wing Root Bellows
-
Location: At the junction between the wing and fuselage.
-
Function: Seals the gap between the wing root and fuselage to prevent air leaks and reduce drag. Helps maintain smooth airflow over the wing root, improving lift efficiency.
- PN:
2. Internal Bellows
-
Location: Inside the fuselage or control surface cavities.
-
Function: Protects internal mechanisms such as control linkages from dust, dirt, and moisture. Reduces friction between moving parts while maintaining smooth operation of control surfaces.
- PN SH-L07-0581
3. Tail Bellows
-
Location: Between the fuselage and horizontal tailplane.
-
Function: Seals the hinge or interface between the tailplane and fuselage. Prevents airflow from leaking through gaps, maintaining aerodynamic efficiency and stabilizing flight performance.
- PN
4. Tail Seal Bellows
-
Location: Along the edge of the horizontal tailplane or elevator.
-
Function: Provides a tight seal for the moving tail surfaces, improving control surface responsiveness and reducing drag. Helps preserve smooth laminar airflow over the tail.
- PN SH-L07-0375
5. Fin Top Bellows
-
Location: At the top of the vertical fin, where the rudder hinges.
-
Function: Seals the gap between the fin and the rudder top to prevent air leaks, ensuring effective yaw control and minimizing drag. Also protects the hinge mechanism from environmental contamination.
- SH-L07-0585
6. Tail Dump Seal Washer
-
Location: Around the tail dump or air vent system at the rear of the fuselage.
-
Function: Ensures a secure seal for the tail dump mechanism, preventing unwanted airflow or leakage. This helps maintain consistent airflow through the tail section and reduces aerodynamic penalties.
- PN SH-L01-1263








